九游会·J9-官方网站|真人游戏第一品牌j9九游会

我们非常重视您的个人隐私,当您访问我们的网站时,请同意使用的所有cookie。有关个人数据处理的更多信息可访问《隐私政策》

产品中心
压力传感器信号调理芯片

产品中心

支持LIN总线的电容式汽车压力传感器信号调理芯片

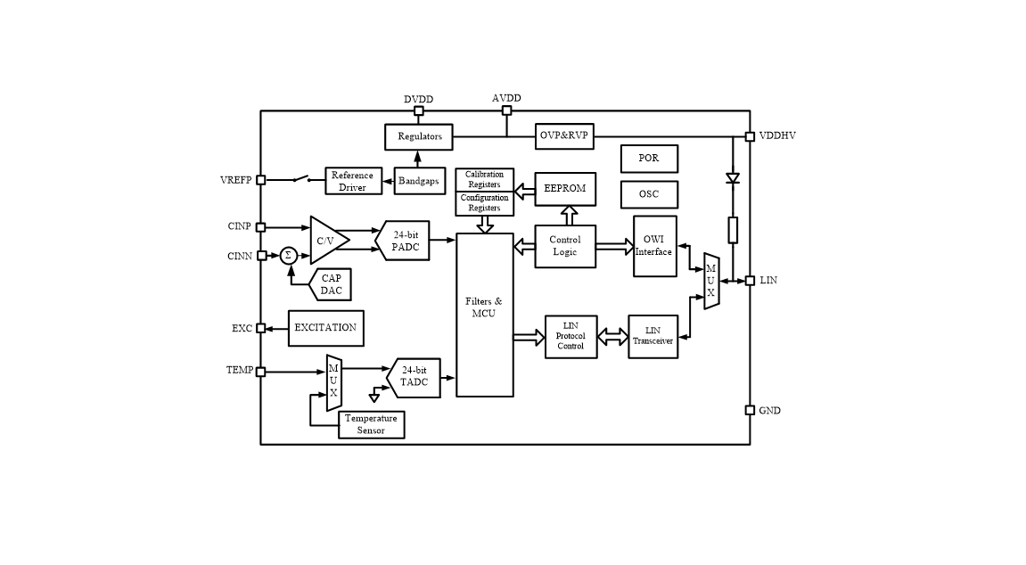
NSC9262是一颗EMC增强的满足AECQ100标准的高集成度的用于电容式汽车压力传感器信号调理专用芯片,并提供LIN总线接口。NSC9262通过电容电压转换电路和一个24位ADC构成了主信号测量通道,一个24位ADC构成辅助温度测量通道,通过内置的数字处理引擎,NSC9262支持对传感器的零点,灵敏度的二阶温度漂移校准以及最高三阶的非线性校准,其校准系数存储于一组可多次编程的EEPROM中。NSC9262支持电源过压及反压保护功能,支持LIN总线接口并满足LIN总线规范,其主要应用于汽车用于测量1Mpa以上压力值的电容式压力传感器的应用场合。

产品特性

•  支持-40V~40V的过压和反压保护以应对汽车传感器应用环境

•  集成C/V电容电压转换电路和24位高精度ADC,可以方便的对电容式压力传感器进行电容量的测量并计算转换到压力。

•  内置基于数字处理器的传感器校准逻辑,可支持客户后标定,支持高达三阶的非线性拟合校准和二阶的温度灵敏度和零点偏置校准

•  校准数据可保存于EEPROM,可多次编程

•  满足LIN总线规范1.3/2.0/2.1

•  专有的OWI通信模式支持传感器组装后标定

•  工作温度范围:-40℃~150℃, 符合AECQ100标准

安全认证

•  LIN总线规范LIN1.3/2.0/2.1

应用场景

•  汽车电容式空调压力传感器模组


功能框图

1658763091849.jpg

如您需要咨询产品更多信息,请点击“j9九游会”,我们将尽快回复您!

j9九游会